Планувальне рішення — перший крок до ідеального інтер’єру
Успішний дизайн починається не з декору, а з планування простору. Саме планувальне рішення визначає, наскільки зручно вам буде жити, працювати й відпочивати у майбутньому інтер’єрі.
Команда Vilni Buro створює ергономічні, продумані до деталей планування квартир, будинків, офісів та комерційних приміщень. Ми поєднуємо функціональність, естетику та ваш спосіб життя, щоб кожен метр простору працював на вас.

Що таке планувальне рішення
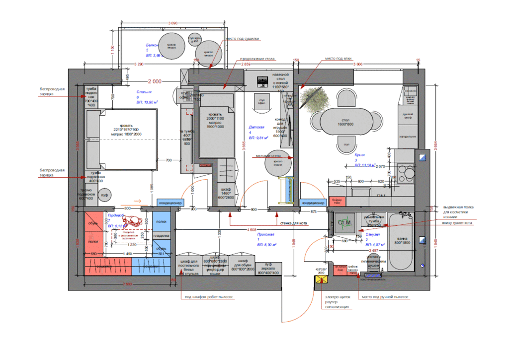
Планувальне рішення — це креслення або схема приміщення, де показано розміщення стін, меблів, техніки та зон. Воно допомагає зрозуміти, як правильно використати площу, створити комфортний рух у просторі й уникнути помилок під час ремонту.
- оптимізувати площу навіть у невеликій квартирі;
- створити логічну послідовність зон — від входу до зони відпочинку;
- забезпечити зручність і функціональність для кожного мешканця;
- зекономити час і кошти на етапі реалізації.
Планування для квартир, будинків і комерційних просторів
Ми розробляємо індивідуальні планувальні рішення для:
- квартир будь-якої площі (від студій до пентхаусів);
- приватних будинків і таунхаусів;
- офісів, салонів, клінік та інших комерційних приміщень.
Vilni Buro враховує норми ергономіки, природне освітлення, зручність розташування меблів і техніки — щоб простір був водночас красивим і функціональним.
Етапи створення планувального рішення
- Обмір приміщення або робота з наданими планами.
- Аналіз потреб клієнта, стилю життя та побажань.
- Створення 2–3 варіантів планування.
- Затвердження фінальної версії, готової до подальшої роботи над дизайном інтер’єру.

Планування в інтер’єрі є важливою складовою процесу створення комфортного, функціонального та естетичного приміщення. Це процес, що вимагає уважного розгляду кожної деталі та забезпечення гармонійного поєднання простору з потребами й побажаннями мешканців або користувачів. Ось ключові аспекти планування в інтер’єрі:
- Аналіз простору: Перший крок у плануванні включає в себе детальний аналіз самого простору. Це означає вивчення розмірів, форми та структурних особливостей приміщення. Важливо враховувати розміщення вікон, дверей, стовпів та інших архітектурних елементів, що впливають на можливості й обмеження планування.
- Функціональність: При плануванні важливо чітко визначити функціональні зони приміщення. Наприклад, в гостьовій кімнаті це можуть бути зони для відпочинку, роботи, прийому гостей тощо. В кухні — зони для приготування їжі, прийому їжі і чистки посуду. Чітке розмежування функціональних зон сприяє зручності та ефективності використання простору.
- Ергономіка: Ергономіка — це важливий аспект планування, особливо у кухнях, ванних кімнатах та робочих приміщеннях. Вона враховує зручність розміщення меблів, обладнання та інших предметів для максимального комфорту користувачів.
- Трафік: Планування також включає аналіз трафіку людей у приміщенні. Важливо, щоб шляхи переміщення були логічними і зручними, уникати перешкод і забезпечувати відкритий доступ до всіх необхідних зон.
- Стиль та естетика: Останній, але не менш важливий аспект — це вибір стилю та естетики, які відображають особистість власника та створюють певну атмосферу. Від розкішного і класичного до сучасного та мінімалістичного — вибір стилю визначається індивідуальними побажаннями та цілями проекту.
Усі ці аспекти об’єднуються у високоякісний план інтер’єру, який враховує як практичні, так і естетичні вимоги, що дозволяє створити гармонійний і зручний житловий чи робочий простір.
Замовте планувальне рішення у Vilni Buro
Розпочніть свій дизайн-проєкт із грамотного планування — це фундамент, на якому базується краса, комфорт і логіка всього інтер’єру.
👉 Зв’яжіться з нами:
📍 vilni-buro.com
📞 +38 (098) 917 7339
💬 Telegram | WhatsApp | Direct